Q45F三通法蘭球閥
產品概況
產品型號:Q45F
公稱通徑:NPS1/2"~12"、DN15~300mm
壓力范圍:Class150~300Lb、PN1.6~4.0MPa
工作溫度:-29℃~+200
主體材質:碳鋼、不銹鋼、合金鋼
設計標準:API 608、BS 5351、GB/T 12237
連接標準:ASME B16.5、GB/T 9113、JB/T 79、HG/T 20592、HG/T 20615
結構長度:ASME B16.10、GB/T 12221
壓力試驗:API 598、GB/T 13927、GB/T 26480
壓力-溫度等級:ASME B16.34、GB/T 12224
Q45F三通法蘭球閥閥門特點
1、三通球閥在結構上采用一體化結構,可靠性高,設計實現了輕量化。
2、三通球芯分T形和L形,使用壽命長,流通能力大,阻力小。
3、結構簡單、體積小、重量輕。
4、緊密可靠。目前球閥的密封面材料廣泛使用各種塑料,密封性好,能實現完全密封。在真空系統中也被廣泛使用。
5、操作方便,開閉迅速,從全開到全關只要旋轉90°,便于遠距離的控制。
6、維修方便,球閥結構簡單,密封圈一般都是活動的,拆卸更換都比較方便。
7、在全開或全閉時,球體和閥座的密封面與介質隔離,介質通過時,不會引起閥門密封面的侵蝕。
8、由于球閥在啟閉過程中有擦拭性,所以可用于帶懸浮固體顆粒的介質中。
Q45F三通法蘭球閥適應工況
適用于供水、石化、冶金、礦山、輕紡、能源、造紙、食品、鋼鐵等管路系統中對介質流向進行切換以及對介質的分流或混合流體。
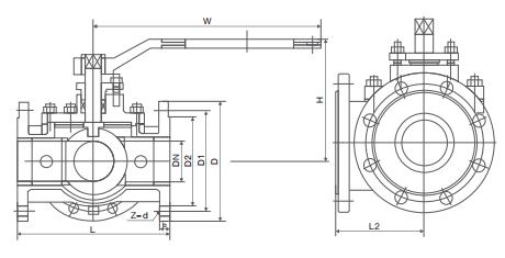
Q45F三通法蘭球閥主要外形尺寸

| 150Lb-300Lb | |||||||||||||||
| 尺寸 | inch | 1/2" | 3/4" | 1" | 1-1/4" | 1-1/2" | 2" | 2-1/2" | 3" | 4" | 5" | 6" | 8" | 10" | 12" |
| DN | 15 | 20 | 250 | 40 | 40 | 50 | 65 | 80 | 100 | 125 | 150 | 200 | 250 | 300 | |
| L | mm | 140 | 160 | 180 | 200 | 220 | 240 | 260 | 280 | 320 | 380 | 440 | 540 | - | - |
| H | mm | 90 | 95 | 105 | 115 | 135 | 140 | 155 | 185 | 210 | 275 | 305 | 335 | - | - |
| W | mm | 140 | 140 | 155 | 250 | 250 | 350 | 350 | 420 | 700 | 1000 | 1300 | 1800 | - | - |
| 1/2(L) | mm | 70 | 80 | 90 | 100 | 110 | 120 | 130 | 140 | 160 | 190 | 220 | 270 | - | - |
| 1.6MPa-4.0MPa | |||||||||||||||
| 尺寸 | inch | 1/2" | 3/4" | 1" | 1-1/4" | 1-1/2" | 2" | 2-1/2" | 3" | 4" | 5" | 6" | 8" | 10" | 12" |
| DN | 15 | 20 | 250 | 40 | 40 | 50 | 65 | 80 | 100 | 125 | 150 | 200 | 250 | 300 | |
| mm | 140 | 160 | 180 | 200 | 220 | 240 | 260 | 280 | 320 | 380 | 440 | 540 | - | - | |
| L | mm | 90 | 95 | 105 | 115 | 135 | 140 | 155 | 185 | 210 | 275 | 305 | 335 | - | - |
| H | mm | 140 | 140 | 155 | 250 | 250 | 350 | 350 | 420 | 700 | 1000 | 1300 | 1800 | - | - |
| W | mm | 70 | 80 | 90 | 100 | 110 | 120 | 130 | 140 | 160 | 190 | 220 | 270 | - | - |
溫馨提示:
本文中所有文字、數據、圖片均只適用于參考。需要查看更多的Q45F三通法蘭球閥性能參數、結構尺寸參數、價格等詳情,或要求高質量印刷樣本,請聯系我們。